Zum Hauptinhalt springen Zur Suche springen Zur Hauptnavigation springen

Multicar M27 Kühlwasserschlauch Motor Eingang

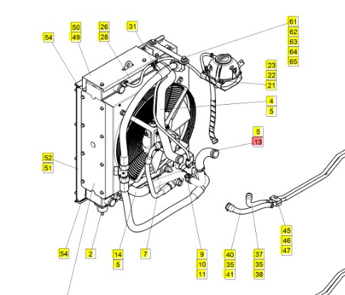
Produktinformationen "Multicar M27 Kühlwasserschlauch Motor Eingang"

Kühlwasserschlauch 

am Motor 

passend für Multicar M27 Euro 5 

Position 13 in Bild 3

Multicar Modell: M27 - 2 l VW Motor

0 von 0 Bewertungen

Durchschnittliche Bewertung von 0 von 5 Sternen

Bewerten Sie dieses Produkt!

Teilen Sie Ihre Erfahrungen mit anderen Kunden.


Produktgalerie überspringen

Zubehör

Neu
Multicar M27 Schlauch kalte Ladeluft am Motor
Multicar M27 Schlauch kalte Ladeluft am Motor

Ladeluftschlauch am Motor - Verbindung zum Ladeluftkühler passend für Multicar M27 Euro 5 Pos. 45 in Abbildung 3

Regulärer Preis: 184,50 €